产品名称
FESTO 费斯托单向节流阀VFOF-LE-BAH-G14-Q8
型号: VFOF-LE-BAH-G14-Q8 订货号:1927030
产品产地: 匈牙利
特色:
• 最小高度 ,通过调整壳体位置可以改变驱 动方向1 • 大流量 ,功能可组合,因此功能性更强 产品概览 功能• 安装完成后,允许水平方向旋 转360°
产品简介
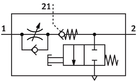
创新解决方案气控单向节流阀,具有停止功能和手动排气功能,可直接安装在气缸上结构紧凑且美观由于功能集成,单个零件减少
请登录获取价格




技术参数
阀功能
两位五通双电控
驱动方式
电控
宽度
42 mm
标准额定流量
1200 l/min
工作气口
底座规格 1, 符合 ISO 5599-1 标准 G1/4
工作电压
通过电磁线圈, 须另外订购
工作压力
0.2 Mpa ... 1 Mpa
工作压力
2 bar ... 10 bar
结构特点
活塞闸阀
认证
c UL us 认证 (OL)
防护等级
IP65
公称通径
8 mm
排气功能
带节流选项
密封原理
软密封
安装位置
可选
符合标准
ISO 5599-1
手控装置
通过用件锁定 按钮式
密封件材料
HVBR NBR
外壳材料
压铸铝
介质温度
-10 °C ... 60 °C
环境温度
-5 °C ... 40 °C
产品重量
190 g
产品中心 - 其他产品
FESTO 费斯托单向节流阀VFOF-LE-BAH-G14-Q8
进入详情
FESTO 费斯托 电磁阀 JMFH-5/2-D-1-C 150980
进入详情
FESTO 费斯托 电磁阀 MFH-5/2-D-1-C 150981
进入详情
FESTO 费斯托 气控阀 J-5/2-D-3-C 151865
进入详情
